
| モーターを直接コントロールする「アンプの要らないコントローラー」の作成! | ||
|
これまでのPICを使ったコントロール基板は、音と発光以外はサーボとアンプを使って制御を行っていました。 小型の戦車に組み込むには、サーボをバラしてアンプとモーターを取り出して使うのがスペース的にも都合が良かったためです。 ただし、モーターが小型のためトルクか小さく、1/35でもモーターにトルクが必要な物...例えば、タミヤの1/35ラジコンタイガーや、130モーター以上のモーターのキットに組み込むには不向きでした。 それで、今回小型のモーターから、380モータークラスまで直接コントロールできる物を作ることにしました。 | ||
| コントローラーの実験 |
最初に、モーターをコントロールするのに、東芝のTA7291Pと言うIC(いろんな作例で使われている)を使ってみました。 PICと直結で2本制御ピンでコントロール出来るのは便利ですが、130モータークラスでも触れないくらいの発熱で、しかもモーターに供給される電圧が落ちるようで、スピード・トルクとも満足いきませんでした。 あと、TA7289Pや似たようなICも使ってみましたが同じでした。 で、何とか使えそうなのが、東芝のMP4212と言うFETモジュールでした。 当初なかなか手に入りませんでしたが、最近のロボット工作ブームのせいか(間違っても可動戦車ブームでは無いぞ)、通常在庫として取り扱っているショップが出てきました。 ただ、このFETは、PICと直結出来なかったり、制御に4ピン必要だったり(デジタルICを追加すれば2ピンで制御も可能みたいだけど、基板のサイズが大きくなるし...) さらには、PICと同じ電源でモーターをまわそうとすると、PIC側の電圧が下がってしまう為かPICは暴走するし....と、結構厄介なドライバーです....って、FET使えば当たり前のことかも..(^^;; | ![]() |
![]() |
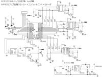
| 回路図 |
モーターコントローラーにMP4212を使った回路を設計してみました。 ちなみに、私は文系の人間なので、電気・電子関係は素人です...ので、正しい回路図の書き方なんて知りません...(^^;; 記号の書き方等違っていても許してくださいね〜 PICの電源部分には、MCP1252(または、MCP1253)というDC-DCコンバータを使用しています。 これを使えば、モーターと共通に電源を使用しても、PICにも安定して電源を供給してくれます。 ただ、このパーツも手に入りにくく、購入に苦労しました... | ![]() |
| プリント基板の設計 |
今回、一番苦労したのは、これの設計です....(^^;; MP4212を制御するのに、24ピンのPIC16F873Aを使ったのと、MP4212×3個をいかにコンパクトに配置するか..... さらに、DC-DCコンバータが表面実装用のパーツでパターンの設計が厄介....と.. サイズは、何とかタミヤの1/35ラジコンタイガーに収まる(モーターギアボックス・電池ボックスはそのままで)程度に..を目標に、47mm×38mmまで小さくしました....いや、ホント苦労したぁ(笑) | ![]() |
![]() |
|
仕様1 4chモード |
<< 4ch受信機と接続使用 >> 前進・後進→プロポの左スティックの上下 左右旋回→プロポの左スティックの上下と右スティックの左右 大砲音・機関銃音とLED発光→プロポの右スティックの左右(停止中のみ) 砲塔旋回→プロポの左スティックの左右 砲身の上下→プロポの右スティックの上下(停止中のみ) | |
|
実際に作ったプログラム→hinoki01_4.asm 今回のプログラムでは、3個のモーターを、プログラム上でON・OFFを繰り返しスピードコントロールしています。 <プログラムの流れ> 1.受信機からの信号入力 2.左右のモーターと、砲塔旋回モーターのスピードを計算 3.3個のモーターの正転・逆転を指定して、モーターをONにする(停止中のモーターはOFF) 4.一定の時間の後、それぞれのモーターをOFFにする(最高速になっている時はONのまま) 5.3と4を何回か繰り返した後、1に戻ります。 走行中は、1〜5のサイクルをなるべく早く行うために、余分な処理は停止中に行うように工夫してます。 例えば、砲身上下にしか使ってない3chの信号は、停止中にしか読みに行きません。 使用するモーターのトルクによって、3と4の繰り返し回数を変えます。 これによって、低速から最高速までの動きを、使用モーターにあわせて簡単に調整できます。 |
||
|
仕様2 2chモード |
<< 2ch受信機と接続使用 >> 前進・後進→プロポの左スティックの上下 左右旋回→プロポの左スティックの上下と右スティックの左右 大砲音・機関銃音とLED発光→プロポの右スティックの左右+トリムの左右(停止中のみ) 砲塔旋回→プロポの右スティックの左右(停止中のみで、スティックは完全に倒さない程度) 砲身の上下→プロポの右スティックの左右(停止中のみで、左右トリムはセンターでステックは奥まで倒す) | |
|
実際に作ったプログラム→hinoki01_2.asm これは、2chプロポ(FutabaのATTACK-II)用に作ったもので、2chプロポでも4chプロポと同等の機能が使えます。 但し、停止中の左右のスティックの可動の幅で、砲塔旋回・砲身上下・大砲・機銃音の操作をするので、ちょっとコツが必要です。(笑) ちょっとスティックを倒した時は砲塔旋回 大きくスティックを倒した時は、砲身の上下 さらに、トリムを倒して、同じ方向にスティックを目一杯倒した時は、音が出ます。 ただ、この方法では、音を出そうとスティックを目一杯倒すと、途中で砲塔旋回と砲身上下の範囲を通って行くので、砲塔や砲身が微妙に動いてしまいます。 そこで、砲塔旋回と砲身上下は、スティックを倒した後1秒くらい位置を其のまま キープして無いと作動しないようにプログラムしました。(ちょっと通った位では動作しない) |
||
|
キングタイガーに組込! |
![]() |
写真では、受信機にGWS4chの小型の物を使っていますが、27Mzhの受信機でも十分積めると思います。 スピーカーは、シャーシの底に固定しています。 こうすると、車体がスピーカーBOXの役目を果たすので、割と大きな音が出ます。 スピーカーを追加した以外はモーターと電池BOXに基板と接続する為のコネクタをつけた以外は殆ど無改造です。 |
| お売りします...が... |
材料費自体は5000〜6000円くらいですが... 一個作るのに....まる2日はかかるので....一個13,000円です....なにせ手作り工芸品?.ですから(^^;;;; 会員の方は、多少安くします。 | |
更新日2005.5.26