|
ひのき1型を7.2V仕様に
|
「ひのき1型」に使っているモータードライバMP4212は、5Aまで流せるので、380クラスのモーターでも大丈夫なはず...
と、言う事でバンダイの1/15 4号シリーズと、タミヤの1/16に搭載して試してみたら....早速問題発生!
1.太いコードが半田付けできない!!
なにせ、基板を小さくしようと、プリント基板は配線が超密集していて、7.2Vのバッテリーコネクタとか、モーターのコードのような太い線を基板に直接半田付けできない...
かといって、電源入力用のジャパピンで5A近くも流すのは不安だし...
2.発熱が半端じゃない!!
MP4212の発熱がすごい!
バンダイの1/15だとギア比も大きくて、モーターの負荷もそれ程でもないが、タミヤの1/16は、バンダイよりギア比が小さくモーターの負荷も大きいのでその分電流も大きく、MP4212が思いっきり高温になる....
特に、タミヤの1/16キングタイガーの2モーター初期の高速ギアボックスは、軸受けもベアリングではなくモーターの負荷が一番大きいようで、基盤から焦臭いにおいが....(笑)
データシートを見ると、MP4212は150度まで上がるらしい!!
MP4212はともかく、すぐ隣のPICやコンバットサウンドのICまで高温になるのはまずい!
3.7.2Vのモーター用バッテリーの他に、PIC用の4.8Vバッテリーが必要なのも...面倒
PICや受信機の電源は5Vくらいなので、今の回路の仕様では7.2Vと4.8Vのバッテリー2個必要になる。
まぁ、1/15や1/16はスペースがあるので、積めないことは無いと思うが....やっぱ、7.2Vから5Vの電源も取るのがスマートかも
と、言うわけで、「ひのき1型」を1/15・1/16仕様に設計しなおしてみました。
|
|
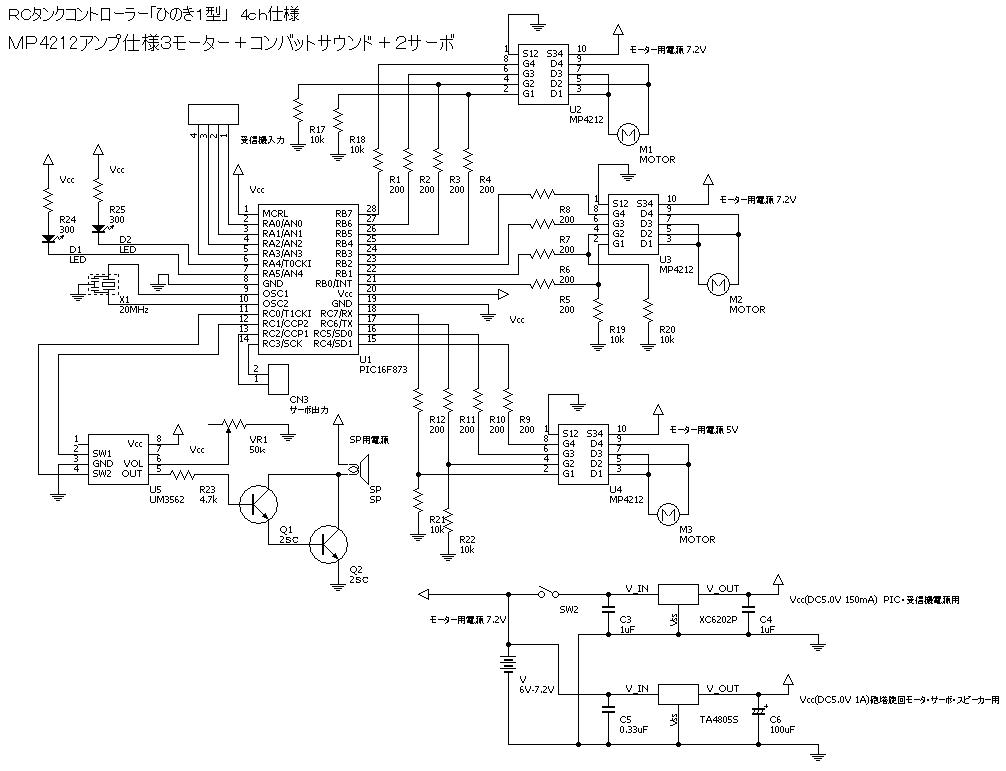
回路図
|
回路は「ひのき1型」と殆ど同じですが、電源部分が変更になっています。
PICと受信機に電源を供給する3端子レギュレーター(5V 150mA)と、
砲塔旋回用のモーター、砲身上下・砲塔旋回用サーボ、スピーカーに電源を供給する3端子レギュレーター(5V 1A)の2個のレギュレーターを使いました。
2個とも、パーツ屋で適当に選んできたもので入力電圧が6Vくらいから使えそうです。
|

|
|
プリント基板の設計
|
|

|

|
仕様
|
「ひのき1型」と比べて、モーターコントロール用のMP4212 2個をPICやコンバットサウンドICから大きく離しました。
バッテリーとモーターの接続コードが半田付けし易い様にプリント基板のパターンを広めにしています。
おかげで基板のサイズは、68mm×41mmと、「ひのき1型」の1.5倍の大きさになりました。
テストでは、MP4212が思いっきり発熱しても、PIC自体は殆ど熱くなりませんでした。
一応念のために、冷却用のファンを接続できるように基板に5V出力用のコネクタを用意しました。(笑)
冷却用のファンは、パソコン用の5V仕様の物が使えます。
ファンはバッテリーを繋ぐと回り続けるので、知らずに放置しておくとバッテリーが減っていくので、ファン用のON・OFFスイッチも基板上につけました。
このファン用の電源は、受信機への電源としても使えます。
この電源は1Aまで流せるので、例えば6チャンネルの受信機の空きにサーボ繋いで動かしたい時等に使えます。(受信機以外に受信機に直接繋いだサーボの分も必要になるため)
砲塔旋回用のモーターは、5V (1A以内)の物が使えます。
|
|
お売りします...が...
|
材料費自体は5000〜6000円くらいですが...
一個作るのに....まる2日はかかるので....一個13,000円です....なにせ手作り工芸品?.ですから(^^;;;;
。
会員の方は、多少安くします。
|